要闻
铸造件结构设计:优先受压
时间:2020-09-28 19:21 阅读:
铸造件结构设计:优先受压
图 例 说 明

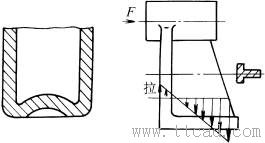
不合理

合理 改为内凸结构,减少拉应力;改进后加强肋受压应力 
不合理 合理 改进后加强肋受压应力
- 上一篇:铸造件结构设计:凸座设计
- 下一篇:铸造件结构设计:钻孔面垂直
铸造件结构设计:优先受压
图 例 说 明

不合理

合理 改为内凸结构,减少拉应力;改进后加强肋受压应力 
不合理 合理 改进后加强肋受压应力